Since I began development of the Moxon Rectangle as a 2-element monoband directional beam with a superior front-to-back ratio and a direct 50-Ohm feed, I have had numerous exchanges with various hams on making the antenna truly portable. Various ideas have filtered through discussions, including the use of a fiberglass support frame--alternatively stressed and unstressed--with wire elements. However, tubular elements offer a wider bandwidth for all of the main operating characteristics. So I have focused in this direction.
Basic Moxon Rectangle Dimensions and Performance
We may calculate the dimensions for any Moxon rectangle from a convenient online calculator on the Moxon Rectangles and Online Calculator page. The figure below gives us a set of references that will make sense of the following table of dimensions.
The tubing that I selected for the series of portable rectangles is 5/8" (0.625") diameter 6063-T832 aluminum, available from such sources as Texas Towers (http://www.texastowers.com) in convenient 6' lengths. Based on the use of this material, we may plug the element diameter and the design frequency into the program to derive dimensions. For 20 and 15 meters, a design frequency about 40% up from the bottom of the band provides whole band coverage. Therefore, 14.150 and 21.200 MHz are the design frequencies. On 10 meters, a frequency of 28.350 seems best for covering the entire first MHz of the band. The following chart provides the dimensions in feet.
Moxon Rectangle Dimensions
Dimension 20 Meters 15 Meters 10 Meters
A 25.12' 16.73' 12.49'
B 3.54' 2.31' 1.69'
C 0.95' 0.69' 0.55'
D 4.77' 3.19' 2.39'
E 9.26' 6.19 4.63'
E, of course, is the simple sum of B, C, and D to give the overall front-to-back dimension. The constant diameter material means that the diameter as a fraction of a wavelength increases with frequency. Hence, the gap (C) at 10 meters is more than half the gap at 20 meters.
In the note that follow, I shall focus on the most difficult of the versions to make truly portable--the 20-meter rectangle. You may adapt the idea for construction with greater ease to smaller versions than you can try to scale up constructions. Fig. 1 shows the 20-meter rectangle with dimensions and several kinds of markings that will be of significance in construction.
The decision to attempt construction of a truly portable Moxon depends in part on the antenna performance. Fig. 2 shows free-space azimuth patterns for the 20-meter band edges and center for the array. The very high front-to-back ratio diminishes to about 18 dB at the band edges, while the gain decreases in a typical 2-element reflector-driver parasitic array curve.
The anticipated performance figures--which will be similar for all 3 wide upper HF bands--appear in the following table.
20-Meter Moxon Performance in Free Space Frequency Gain Front-to-Back Feed Impedance 50-Ohm MHz dBi Ratio dB R +/- jX Ohms VSWR 14.0 6.36 18.0 39.3 - j 18.0 1.60 14.05 6.25 21.7 43.1 - j 13.7 1.39 14.10 6.14 27.6 46.9 - j 9.9 1.24 14.15 6.02 38.0 50.6 - j 6.5 1.14 14.20 5.91 29.0 54.1 - j 3.5 1.11 14.25 5.80 23.5 57.4 - j 0.7 1.15 14.30 5.69 20.3 60.5 + j 1.9 1.21 14.35 5.59 18.1 63.3 + j 4.4 1.28
The gain drops about 3/4 dB across the 20 meter band. As Fig. 3 shows, the SWR curve is steeper below the design frequency than above it. This curve parallels the front-to-back ratio curve, and together, the two curves dictate a design frequency of maximum front-to-back ratio that is a bit below the mid-band point.
For the average radio amateur without high towers and the finances to put a high performance set of beams into the air, the Moxon performance offers a chance for effective communications. The azimuth patterns suggest that the beam has two principle offerings. First, it is very quiet to the rear, enhancing signals from the forward direction. Second, the forward lobe is very wide, which requires less precision in aiming the antenna.
For Field Day and similar operations, the antenna can be very effective, whether constructed of wire or tubing. Wire Field-Day versions of the Moxon--including a reversible version--appear in May, 2000, QST. In this set of notes, we shall concentrate on making the tubular Moxon truly portable.
The Requirements for Portable Operation
A truly portable beam must meet several requirements:
The ideas that following meet all of the criteria. However, the structure must not be used for either permanent installation or for winds that are brisk or better. 15 knots represents the highest recommended wind load for the antenna.
The key to the ideas sketch in these notes is to assemble in the shop those pieces that form permanent subassemblies or pieces. Shop construction will require stainless steel hardware (bolts, sheet-metal screws, or clamps) for any junction of metals. In the field, a freshly made junction will provide electrical continuity for the duration of an operating session. Therefore, the only task for hardware will be to securely hold in place the junctions created in the field. Screws, clamps, and bolts are unnecessary for this purpose.
The only hardware needed for field junctions appears in the figure above: the hitch pin clip (otherwise knows as the hitch pin, the hairpin cotter pin, or the spring retainer). When properly sized, these pins will more than suffice to keep the pieces of a portable Moxon in place. Hitch pins are available in many sizes. Although stainless steel pins are the most durable, they cost twice as much for half the number of zinc-plated steel version, according to McMaster-Carr catalog pages (page 2971 of the on- line catalog at http://www.mcmaster.com.
Effective use of the hitch pin requires careful shop work. Drill the junction pieces of tubing together with the junction tightly in place. Use a hole size just barely large enough for the straight side of the pin. The tighter the fit, the more durable the junction. However, if a pin hole becomes loose and sloppy after a few uses, then a redrill at a nearby location with fix the problem.
Hitch pins come in many sizes. For 5/8" diameter tubing, the pin rated from 1/2" to 3/4" service is suitable. The pin wire diameter is 1/8" (0.125"), which dictates the shop drill bit size. Unless you have a precision shop, it is unlikely that similar pieces will be interchangeable at junctions. Therefore, it is wise to use tape on both side of a junction with a coding that allows you to join the correct pieces in the field.
Hitch pins are one of those items most likely to become lost in the grass. Therefore, be sure to obtain and store with the antenna parts a sufficient over-supply. As well, you might obtain brightly colored tape and add a tab through the top ring of each pin. These cautions fall under the basic principle that the more worst-case thinking you do in the shop, the fewer worst-case events will occur in the field.
Designing the Portable Moxon
Making a portable Moxon rectangle for 20-meters is our goal. The design effort begins by breaking the antenna into many sub-assemblies. The dimensions for these assemblies emerged from the dimensional requirements, shown in Fig. 1 and the available materials. Tubing comes in 6' lengths from many mail-order sources in order to fit with the UPS limits above which special shipping charges apply. Since the 20-meter version of the antenna is 12.56' (150.7") each side of the center line, we can use two sections between 5' 9" (69") and 6.0' (72") for each element's long portion. (A 10-meter version would require only one section per element per side of center line, and a 15-meter version might use two shorter sections.) The corner assembly will make up the remaining few inches. The tail pieces are well under 6', so they can be independent parts. The junctions consist of 0.5" tubing inside the main 0.625" tubes.
The array for 20 meters will need about 70' of tubing, which weighs less than 7.5 pounds in the 0.58" wall size. The boom and other hardware, if carefully chosen and constructed will about double to total weight, for a 15-pound package. Because the hardware needs--including the boom, boom-to-element mounts, and boom-to-mast mount--will not substantially change for the smaller versions of the antenna, expect a 10-pound 10-meter Moxon and a 12-pound 15-meter version.
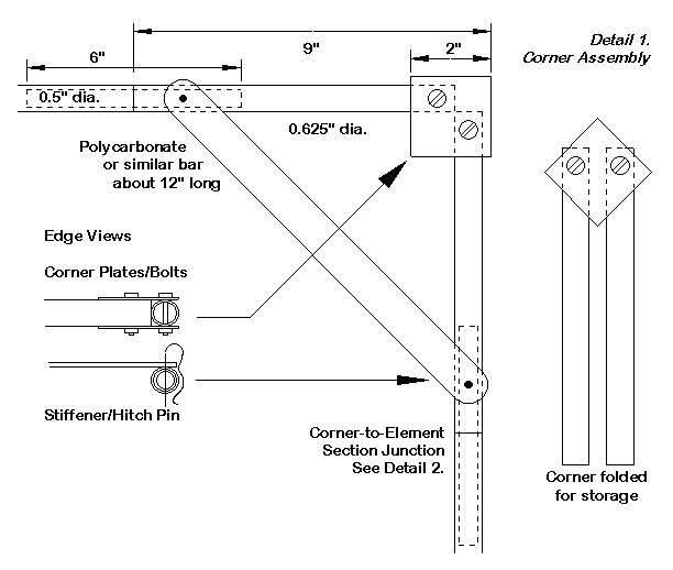
The first stop along our examination of details consists of the corner assemblies. The 9" lengths of tubing will be variable according to the exact lengths of the tubing from the center-line (boom) to the element end. A 6" 0.5" diameter tube is permanently attached with stainless steel hardware to the linear section of the element--both to the long element and to the tail piece. Hitch pins position the junctions and also hold down a length of non-conductive strap or bar that holds the corner square during use. Two small plates make up the corner hinge that allows the piece to fold for storage and transport. The folding corner's chief advantage is storage compactness.
The drawback of the folding corner is the need for tools to tighten the corner. You might well replace the type of corner shown with a section of bent 0.5" diameter aluminum. If you choose this route, be certain that the straight and curve sections of each element add up to the correct overall element length shown in the chart of dimensions. The total driver length is A + (2 x B), while the total reflector length is A + (2 x D). Bending aluminum tubing to 90 degrees requires some care. Fill a piece longer than the final dimensions with play sand, the finer the better. Many benders warm the aluminum and sand to the point where they can just handle the piece with gloves. Make up a form (or use a suitable solid circular piece among the "found-objects" in the shop). Pin down one end of the tube. Bend slowly in small increments until the piece reaches a slightly tighter angle than the 90 degrees. It is easier to slightly unbend the cooled piece than to add to the curve later on.
The bent corner requires no brace. Hitch pine holes aligned with the inserted junction pieces are the final step in shop work--except for the labeling. Four corners with hitch pin holes of slightly different alignments can become a frustrating field exercise if not labeled for easy selection.
Detail 2 shows the general junction scheme used throughout the portable design. 0.5" diameter tubing forms each junction piece. The inward section of the long element portions and that tail pieces use appropriate hardware for permanent connection. The more outward tubing or the corner section gets a hitch pin hole. Create the hitch pin holes by first ensuring a tight butt joint at the ends of the 5/8" tubing section to be joined. Then drill carefully through both the inner and outer tubing all the way through the "top" and "bottom" of the junction. If the drill bit will pass though both holes, the hitch pin straight side will also fit.
Detail 3 shows the tail assemble, although not to scale. For the 20-meter Moxon, obtain about 36" of rigid or nearly rigid tubing with a true outside diameter of 0.5". (Measure any tubing that lists its dimensions as "nominal," since such materials tend to use pipe dimensions and only a measuring device will show the true outside diameter.) 18" per tail will hold the ends of the 20-meter Moxon tails the correct distance apart while maintaining alignment. Since the driver tail will be shorter, the permanent hardware goes on that side, with the hitch pin applied to the reflector tail portion. Since you need a similar assembly on each side of the array, good labeling is important.
Detail 4 reveals that the Moxon requires a split feed mount that insulates and isolates the elements from the boom. A 1/4" thick polycarbonate plate provides the strongest plate for this service. It can be any length and width that will fit the need. For the feedpoint plate, be sure there is room for a small aluminum bent piece to hold a coax connector and leads to the tubing on each side of the plate.
Since the plate shown uses U-bolts, obtain a polycarbonate or fiberglass rod to fit within the tubes. Such a rod keeps the tubes aligned, thus reducing the number of U-bolts required. It also prevents the tubing from collapsing under the pressure of tightened U-bolts.
For storage, the system shown in Detail 4 and repeated in the alternative figure has a disadvantage. It requires tools to loosen at least one side of the assemble so that you can disassemble one of the 69" element sections. (Remember that 69" is approximate and depends on how you apportion the subsections of the parallel element portions.) The alternative construction shown in the lower portion of the figure uses a shorter length of non-conductive rod. Its function is to align the tubing ends and to provide a base for hardware that allows connection to the coax receptacle.
The alternative center mount uses portions of the first long-element section with a cut-off just beyond the feedpoint plate. To strengthen the inner portion of the 20 meter elements, a full 6' length of 0.5" tubing runs the entire length of the element and forms the junction inside the feedpoint assemble as well as the junction with the next outward section of tubing. The long tube holds the permanent hardware, with hitch pins on the other side of each junctions. The sketch shows the positions of the pins, but not their orientation. The hitch pin at the feedpoint plate should be parallel to the face of the plate.
Although somewhat more complex to construct, the alternative feedpoint plate assembly can now remain fully constructed with no need for tools at the field site. Hitch pins do the work.
Detail 5 shows the corresponding reflector plate. As shown, the plate will require tools to loosen one of the element U-bolts. For a no-tool assembly job at the field site, revise the sketch to resemble the alternative feedpoint plate, but with a 0.5" junction tube instead of the fiberglass or polycarbonate rod. Of course, the coax connector is irrelevant to the reflector.
The final detail (6) concerns the boom and the boom-to-mast mount. I recommend nested sections of 1.25" and 1.125" aluminum if the wall is 0.58" thick. Single thickness tubing might work, but is subject to distortion under the pressure of U-bolts. For 20 meters, we need 9.5 to 10 feet of boom. To create such a boom, use a 6' length of each size tubing and a shorter (3.5' to 4') length. Alternate their placement and position with hitch pins. The pins allow disassembly for storage as lengths no more than 6' long--roughly that same as the longest element pieces. The boom-to-mast plate can be either 1/8" thick aluminum or 1/4" polycarbonate. U-bolts should be stainless steel. Saddles are useful in preventing slippage and tubing distortion.
Storage, Transport, and Use
There is nothing magic in the suggested construction of the portable Moxon rectangle. Feel free to adapt and revise as you wish--and you may well have ideas to improve the techniques suggested here. The two key goals are these:
1. Keep to an absolute minimum the number of tools needed at the field site to assemble and disassemble the antenna. Murphy's Law dictates that you will forget to bring the one key tool you need to complete the assembly. Keep Murphy at bay by developing the antenna so that it needs no tools at all--or only a small steel rod (sometimes called a screwdriver) to free the hitch pins after use.
2. Keep the storage package as short and small of girth as possible. The 6' tubing lengths, plus fixed extensions for junctions, dictates one dimension. The stack of well-labeled tubes has a certain girth when bound together. The folding corners add least to the girth of a round stack, but bent tubes might well be accommodated with a flatter storage scheme.
Develop some sort of storage container. Canvass or similar material works well. Be certain that the hardware fits in a well-marked and hard-to-lose bag or box--with extra pins. If your assembly needs a few tools, purchase a few inexpensive tools especially for the antenna and store them with the aluminum and hitch pins.
I have made no comments on the mast assembly, since the options are too many and often are site-specific. However, try to raise the Moxon rectangle as high as safely feasible. For 20 meters, the approximate minimum recommended height is about 3/8 wavelength or 26' above ground. At this height and above, the SWR curve will be very stable.
Fig. 10 shows the band-edge and band-center azimuth pattern at the take-off angle for the array at a height of 26' on 20 meters. At 3/8 wavelength, the TO angle is 35 degrees, but drops to about 26 degrees when the antenna is 1/2 wavelength up. The lower height, however, is often satisfactory for field use, since the vertical lobe of the far-field pattern is very broad, with usable radiation down to 10 to 15 degrees elevation. As well, at 3/8 wavelength height, as the figure shows, the front-to-back ratio is excellent for a two-element array.
These notes are only a set of ideas on the construction of a truly portable Moxon array for 20 through 10 meters. The hitch pin is a much overlooked fastener that can simplify field assembly and disassembly. However, it requires the tubing itself to make the electrical contact at the junctions. If you clean the tubing (with a plastic abrasive pad, not steel wool or other scarring materials) before each use, electrical contact should pose no problems.
For permanent installations involving long term exposure to weather and the chemical soup called the atmosphere, use other connection methods and a stronger basic design.
However, for short-term field operations, the construction ideas shown here and supplemented by your own knowledge of materials and hardware can produce a truly portable Moxon rectangle--or almost any other type of array you wish to carry into the field.
Updated 02-01-2003. © L. B. Cebik, W4RNL. This item appeared in AntenneX, January, 2003. Data may be used for personal purposes, but may not be reproduced for publication in print or any other medium without permission of the author.